欢迎访问深圳市三思减振技术有限公司官网!
加入收藏
|
在线留言
|
——>ENGLISH
切换导航
网站首页
关于我们
产品中心
THS系列被动减振器
THA系列主动减振器
减振垫系列
THO1 欧规减振器
THZ微型减振平台系列
THF方形减振脚杯
THI机械减振器
THT弹性减振器
振动测试与分析
新闻动态
公司新闻
行业新闻
应用案例
主动减振系列
被动减振案例
在线留言
服务支持
技术资料
产品资料
联系我们
首页
>>
错误:404
产品中心
THS系列被动减振器
THS1气囊型减振器
THS2标准型减振器
THS3高端型减振器
THS4加长型减振器
THS5迷你减振器
THA系列主动减振器
减振垫系列
THD高分子材料减振垫
THM系列减振垫
THN弹簧特性减振垫
THO1 欧规减振器
THZ微型减振平台系列
THZ 1微型减振平台
THZ 2桌面型减振平台
THF方形减振脚杯
THI机械减振器
THT弹性减振器
振动测试与分析
联系我们
深圳市三思减振技术有限公司
地址:广东省深圳市宝安区福海街道建安路36号福盈第二工业区A3栋1楼、3楼
手机:13826540336
咨询热线
0755-27908296
THJ 2型橡胶减振器
发布时间:2021.12.03 阅读量:1676
所属分类:
点击次数:1676
发布日期:2021/12/03
0
详细介绍
产品特性:
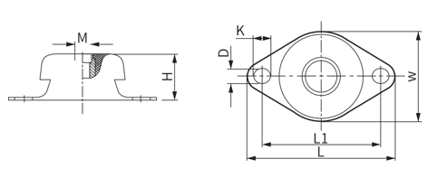
THJ 2型橡胶减振器是由上下壳体和橡胶减振层构成,适用于各类1500转/分以上船用、陆用、航空用机械设备的振 动、冲击隔离。其在额定荷载下固有频率为10Hz。
结构简单,安装更加方便,使用安全可靠。
产品结构说明:
产品用途:
适用于水泵、柴油发电机、空压机及电机等设备。竖向负载范围:70-1650Kg。
我要分享:
0
上一条:
没有了
下一条:
没有了
推荐资讯
三思减振丨2025上海慕尼黑光博会邀请函
2025-02-26
主动隔振系统的历史发展及应用(一)
2022-07-15
机械设备振动的危害及减振方式
2022-05-23
从被动到主动,精密仪器微振动如何有效隔离?
2022-03-10
小知识:您对“光学平台”有多少了解
2021-11-02
设备振动的原因和解决方案
2021-10-29
0755-27908296